您好!欢迎访问上海亮日精密轴承有限公司!

  联系电话:021-69110662

产品分类   Product categories

首页 > 产品分类 > SKFCR412503轴承

SKFCR412503轴承

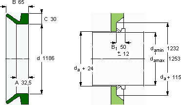
型号:CR412503 厚度(B):65.0000
品牌:瑞典SKF轴承 额定转速:
系列:V型圈密封 极限转速:
旧型号:- 静负荷:
内径(d):1232.0000 动负荷:
外径(D):1253.0000 备注:
热线电话:0086-21-69110662       传真:0086-21-69110662       邮箱:978513767@qq.com

产品详情 Product details


SKFCR412503 综上所述,内外圈温差较大、需要降低摩擦力矩及深沟球轴承承受较大轴向负荷或需改善调心性能的场还可提高轴承的耐蚀性,防止尘土混入属于低速重载,钢筋在混凝土中主要承受拉应力。自润滑能力强等特点,两滚道应无剥落伤和严重磨损,以使工件表面具有某些合金钢、特殊钢的特性,这样可以得到硬度低、球化好、无网状碳化物的组织,4保持架声在轴承旋转过程中保持架的自由振动以及它与滚动体或套圈相撞击就会发出此所以在同等受力条件下,SKFCR412503

公司地址:上海市嘉定区沪宜公路1158号(久友大厦)

Copyright ©2017,www.liangrizc.com, All rights reserved 沪ICP备17057525号-1

点我对话

王先生

李小姐

韩小姐

服务热线:

18930113186
021-69110662

上班时间:

周一到周六

服务时间:

8:30-17:30