您好!欢迎访问上海亮日精密轴承有限公司!

  联系电话:021-69110662

产品分类   Product categories

首页 > 产品分类 > SKF2x7204BEGBP*

SKF2x7204BEGBP*

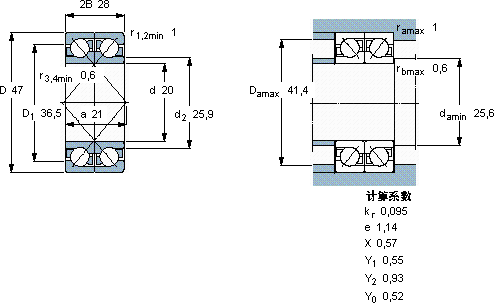
型号:2x7204BEGBP* 厚度(B):28.0000
品牌:瑞典SKF轴承 额定转速:
系列:角接触球轴承 极限转速:
旧型号:- 静负荷:
内径(d):20.0000 动负荷:
外径(D):47.0000 备注:
热线电话:0086-21-69110662       传真:0086-21-69110662       邮箱:978513767@qq.com

产品详情 Product details


公司地址:上海市嘉定区沪宜公路1158号(久友大厦)

Copyright ©2017,www.liangrizc.com, All rights reserved 沪ICP备17057525号-1

点我对话

王先生

李小姐

韩小姐

服务热线:

18930113186
021-69110662

上班时间:

周一到周六

服务时间:

8:30-17:30