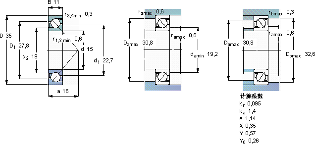
7202BEGBP* SKF7202BEGBP*

    产品详情 Product details


    © 2018 上海亮日精密轴承有限公司 备案号:沪ICP备17057525号-1